DA 506(导轨款)
产品型号:
产品描述:
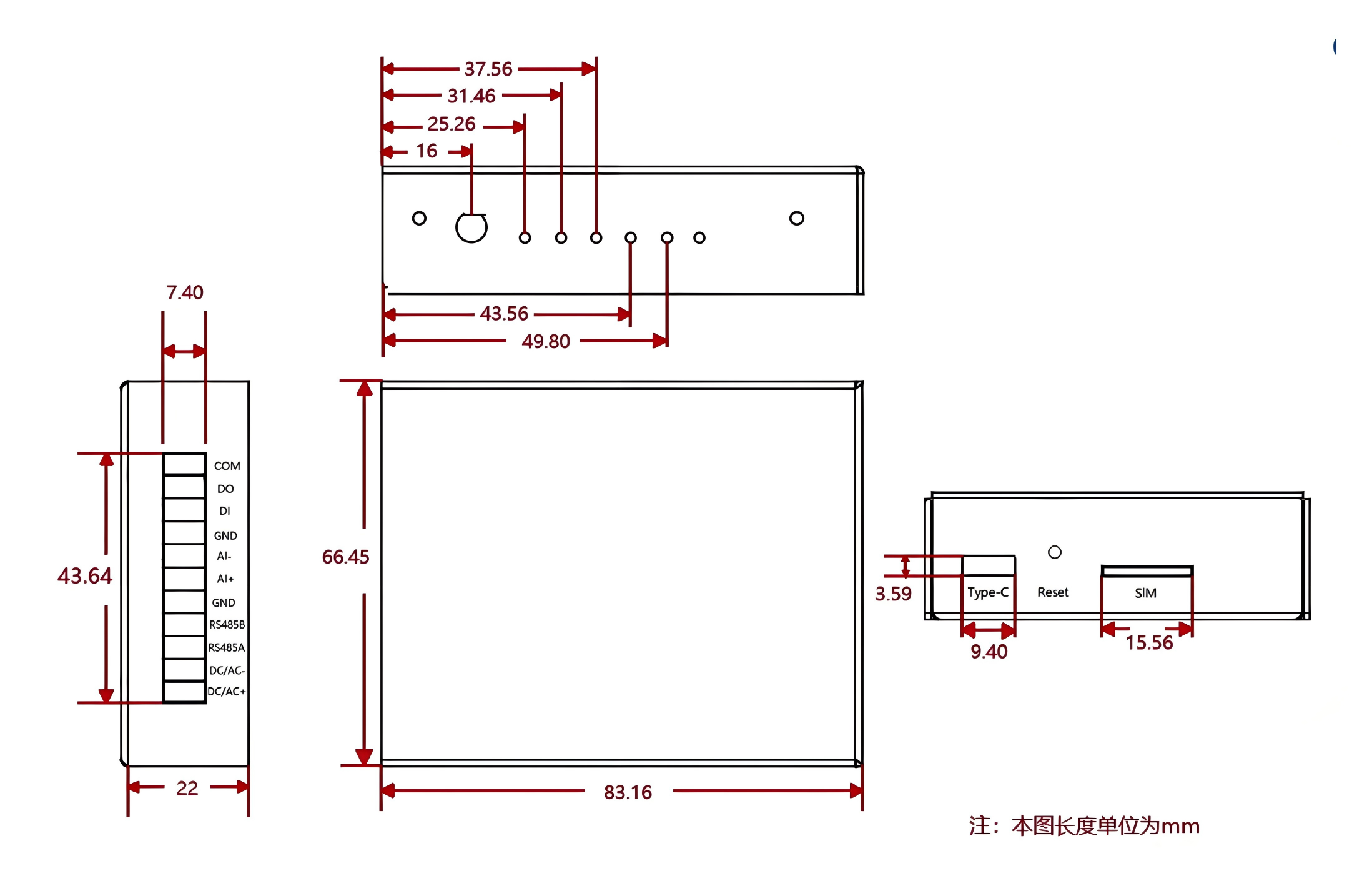
DA 506数据采集模块支持多种网络协议, 带有RS485 端子接口,支持 1路模拟量 AI(电流 4~20mA)检测、 1路数字量 DI 检测、 1路继电器(COM、NO、 NC)输出的远程控制采集终端,兼容 Modbus RTU 协议。
产品特点:
该系列DTU已经在电力、环保、气象、工控、水文等多个行业得到广泛应用。是专为工业应用而设计的高性能设备,通过与各种工业设备和传感器的连接,实现数据的采集、传输和处理。
咨询热线:13989481050(微信同号)








该系列DTU已经在电力、环保、气象、工控、水文等多个行业得到广泛应用。是专为工业应用而设计的高性能设备,通过与各种工业设备和传感器的连接,实现数据的采集、传输和处理。



